Back to catalog










Download the technical sheet



Request an offer
E4VN11 MAN
Specially designed crosshead for viscous or high-flow materials.
Applications

Data cable

Power cable

Special shaped

Tube
Further information
Single layer
Skin coloration
Striping
Fix / manual centring
2 Heating zones
Die adjustment
Version | |
---|---|
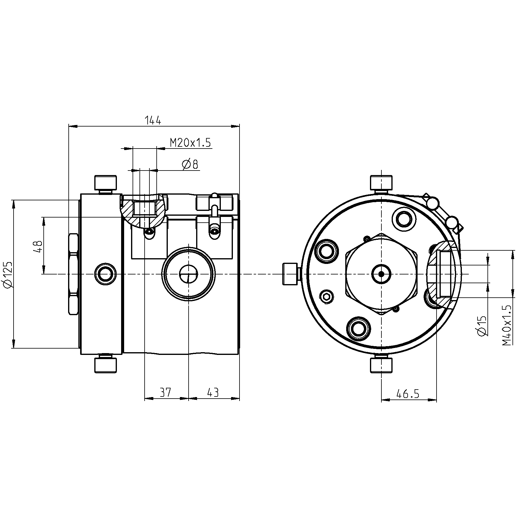
Maximum opening of the Tip | 7 mm |
Maximum opening of the Die | 11 mm |
Main entry port / thread - A | 15 mm |
Main entry port / thread - B | M40x1.5 |
Auxiliary entry port / thread - A | 8 mm |
Auxiliary entry port / thread - B | M20x1.5 |
Total length | 144 mm |
Crosshead diameter | 125 mm |
Max. working temperature | 250°C |
Max. working pressure | 600 bars |
Weight | 13 kg |